Код товара:
254138
Артикул:
E26809-CP
Характеристики
Коллекция
—
Aleo
Ширина, см
—
25
Высота, см
—
153
Цвет
—
Хром
Страна
—
Франция
Тип смесителя
—
Однорычажное
Длина излива, см
—
21,5
Монтаж
—
На стену
Материал
—
Латунь
Вес с упаковкой, кг
—
4,8
Габариты с упаковкой, см
—
1,5/25/60
В наличии
Юр. лицам
Запросить КП
Гарантия
5 лет
Предоставляется производителем
Описание
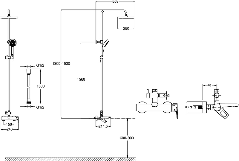
Душевая система jacob delafon aleo e26809-cp.
характеристики:
цвет: хром.
материал: латунь, пластик.
управление: однорычажное.
механизм: керамический картридж.
излив: фиксированный.
диаметр верхнего душа: 250 мм.
количество режимов струи ручного душа: 4.
форма верхнего душа: круглая.
форма ручного душа: круглая.
стандарт подводки: g1/2.
тропический верхний душ.
исполнение шланга: пластиковый.
длина шланга: 150 см.
гладкий шланг с системой антискручивания.
экономия воды: встроенный ограничитель напора воды.
увеличенная высота штанги с возможностью регулировки.
система против известковых отложений.
монтаж: на стену.
в комплекте поставки:
смеситель.
верхний душ.
ручной душ.
душевая штанга.
душевой шланг.
Похожие товары
Коллекция Aleo
